RAB-60B24-M40
Can't find what you're looking for? Go to the Product Selector
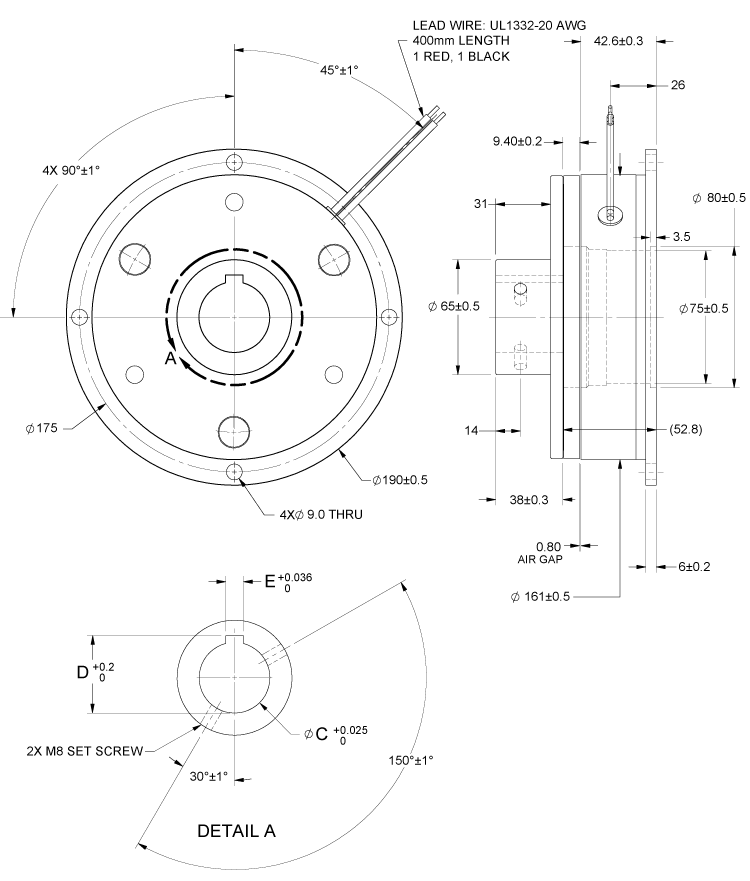
Brake, 摩擦, RAB-60, 190 毫米 Outside Diameter, 40.000 / 40.025 毫米 Bore, 24 Vdc, 140.0 Nm 靜態(tài)力矩
- Red lead wire "+", Black lead wire "-"
- Permanent magnet poweroff brake series that provides zero backlash stopping and/or holding of a load in the absence of power.
- While the field (electromagnet) is fixed and prevented from rotating, the output hub assembly is secured to the shaft.
- In the absence of power, the fixed and rotating components are engaged, thus stopping and/or holding the load.
- When the coil is energized, rotating components are disengaged, thus allowing the shaft to freely rotate.
- RoHS, REACH and UL Class F compliant.
- Static or dynamic engagement.
